自耦变压器 仿真发散

俞宏洋俞宏洋提问于:2025-11-25 08:48软件使用111 浏览1 回答

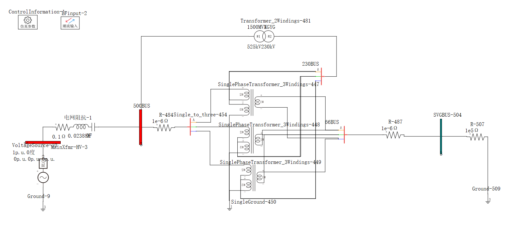
ADPSS没有自耦变压器的元件,尝试搭建了一下,仿真结果发散,变压器所有参数都没有填0或者极大值,帮忙查找下原因,或者是否能提供自耦变的例子,谢谢!

20251125084552176403155268381.png
20251125084727176403164789994.png
软件版本2.8
计算方式本地串行
彭丽
彭丽LV3

回答于:2025-11-28 09:33北京

请升级3.1版本,3.1版本有自耦变压器。